Zum Hauptinhalt springen
Menü
Unternehmen
Über uns
Dienstleistungen
Stromlaufpläne
Schaltschrankaufbau
Netzwerk Darstellungen
Netzwerkschrank / Patchfeld Kat3 , Kat5 , Kat7 und LWL
Gebäudetechnik
Service
Kontakt
News
Stromlaufpläne
Schaltschrankaufbau
Netzwerk Darstellungen
Netzwerkschrank / Patchfeld Kat3 , Kat5 , Kat7 und LWL
Gebäudetechnik
Gebäudetechnik
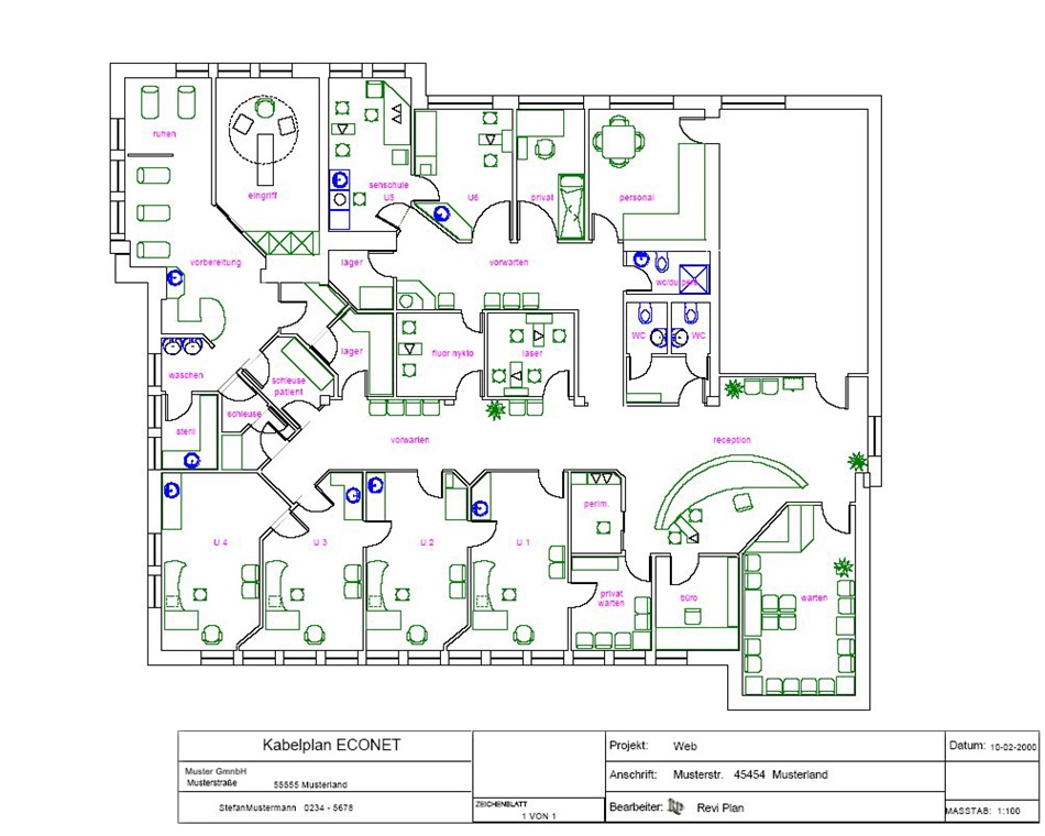
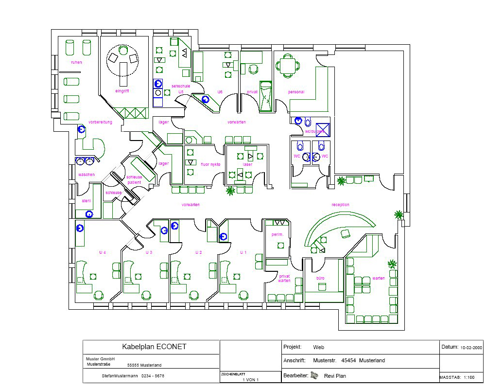
Hier der Aufbau einer Augenpraxis.
Gebäudetechnik
Unternehmen
Über uns
Dienstleistungen
Stromlaufpläne
Schaltschrankaufbau
Netzwerk Darstellungen
Netzwerkschrank / Patchfeld Kat3 , Kat5 , Kat7 und LWL
Gebäudetechnik
Service
Kontakt
News